中国政府网
|
黑龙江省人民政府
|
佳木斯人民政府
|
登录
|
注册
退出
无障碍
|
关怀版
网站支持IPv6
首页
新闻中心
领导之窗
政府信息公开
政务服务
政民互动
走进桦南
搜一搜
首页
新闻中心
领导之窗
政府信息公开
政务服务
政民互动
走进桦南
当前位置:
首页
>
政府信息公开
>
信息公开年报
>
2023年
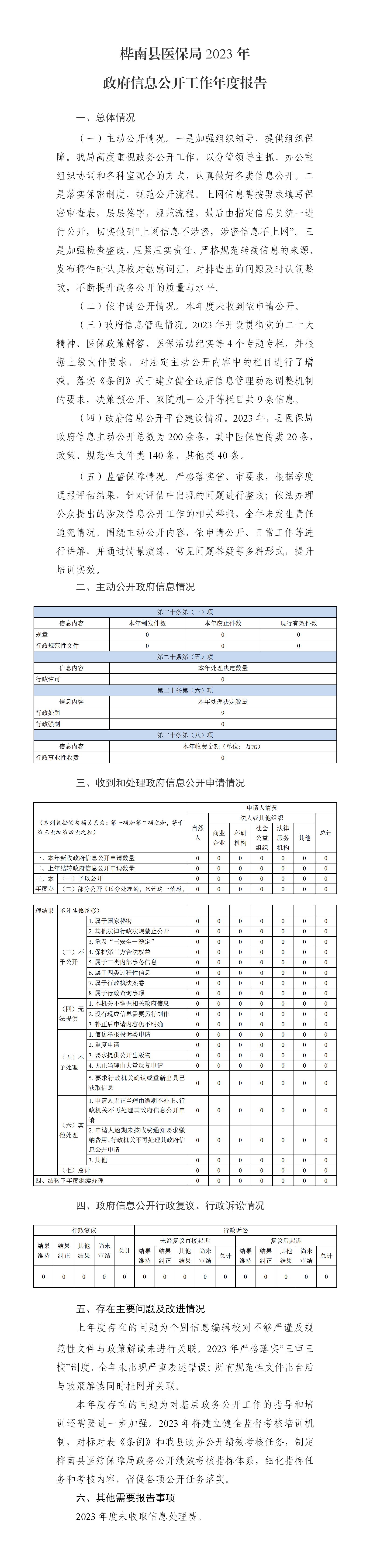
桦南县医保局2023年政府信息公开工作年度报告
桦南县医保局2023年政府信息公开工作年度报告
日期:
2024-01-22 15:16
来源:
字号:
大
中
小
分享到:
相关附件:
监审:
审核:
编辑:
扫一扫在手机打开当前页
相关信息
hi!我是智小佳